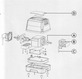
Koi Pro Hi Blow 50 Ersatzteil Set

Produktinformationen

Title: Koi Pro Hi Blow 50 Ersatzteil Set Brand: Superfish Manufacturer: Koi Pro Product Group: Haustierprodukte